

AC Gearmotor, 42.0 in-lb Max. Torque, 30 RPM Nameplate RPM, 115V AC Voltage, 1 Phase
Web Price
$658.74
/ each
Product Details
Ball on Motor, Porous Bronze Sleeve on Case
Ball on Motor, Porous Bronze Sleeve on Case
None
United States
TEFC
Unpainted
60 Hz
1.6
1.6 A
Die Cast Zinc
Acetyl, Steel
52:1
None
Totally Enclosed Fan-Cooled
All Angle
1
CW
Parallel
Single
AC Gearmotor
115V AC
Acetyl/Steel
Die Cast Zinc
Die Cast Zinc
Unpainted
60 Hz
0.05 hp
1/20 hp
b
Yes
52:1
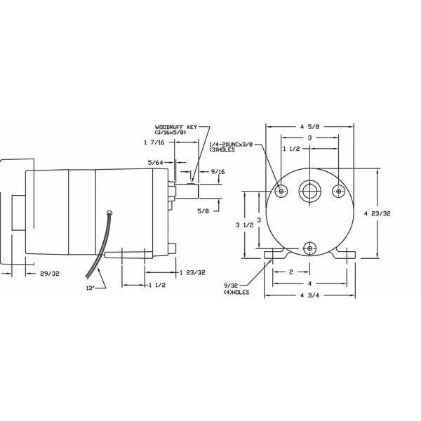
5/8 in
#605 Woodruff Key
#605 Woodruff Key
Woodruff
3/16 in
7.5 in
Grease Filled
40 Degrees C
42 in-lb
104 Degrees F
42 in-lb
Totally Enclosed Fan-Cooled
B
Shaded Pole
1.5 in
4 in
Any Position
All Position
Any Angle
30 RPM
30 RPM
1
115V AC
5/8 in
3.5 in
1 1/2 in
4.72 in
4.63 in
150 lb
150 ft-lb
1
Single
No
CW
16 to 30
Lip Type on Output Shaft
Lip Type on Output Shaft
Single Output
5/8 in
1.5
Parallel
CSA Certified, UL Recognized
None
115
Viewed together

$22.36 / each
Web price

$26.24 / each
Web price

$27.11 / each
Web price

$41.49 / each
Web price

$40.86 / each
Web price