


AC/DC Gearmotor, 4.5 rpm, 115V, Open Vented
Web Price
$423.74
/ each
Product Details
Porous Bronze Sleeve on Case, Sleeve on Motor
Porous Bronze Sleeve on Case, Sleeve on Motor
Externally Replaceable
United States
Open Vented
Unpainted
50 Hz, 60 Hz
1.1 A
1.1 A
250 in-lb
Die Cast Zinc
Input Gear Steel, Output Gear Cast Iron, Worm Hardened Steel
1714:1
Worm
Open
All Angle
1
CW/CCW
Right Angle
Single Left
AC/DC Gearmotor
115V AC/DC
Die Cast Zinc
Unpainted
60/50 Hz
1/6 hp
1/15
b
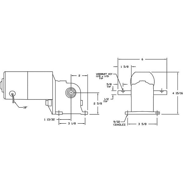
#404 Woodruff Key
#404 Woodruff Key
Woodruff #404
8.75 in
Grease Filled
40 Degrees C
40 Degrees C
250 in-lb
Open Air-Over
B
Universal AC/DC
All Position
Any Angle
4.5 RPM
4.5 RPM
115V AC
Left Hand
1/2 in
1 5/8 in
8.56 in
100 lb
100 ft-lb
1
1
Yes
1YNR3
No
CW/CCW
0 to 15
Lip Type on Output Shaft
Lip Type on Output Shaft
Left Hand Output
1/2
1-5/8
Right Angle
UL Recognized
None
115VAC/DC
Viewed together

$22.36 / each
Web price

$26.24 / each
Web price

$27.11 / each
Web price

$41.49 / each
Web price

$40.86 / each
Web price