


AC/DC Gearmotor, 55 rpm, 115V, Open Vented
Web Price
$473.74
/ each
Product Details
Ball on Motor, Porous Bronze Sleeve on Case
Porous Bronze Sleeve on Case, Sleeve on Motor
Externally Replaceable
United States
Open Vented
Unpainted
50 Hz, 60 Hz
1.3 A
1.3 A
39 in-lb
Die Cast Zinc
Input Gear Steel, Output Gear Cast Iron, Worm Hardened Steel
100:1
Worm
Open
All Angle
1
CW/CCW
Right Angle
Single Right
AC/DC Gearmotor
115V AC/DC
Die Cast Zinc
Unpainted
60/50 Hz
1/6 hp
1/15
b
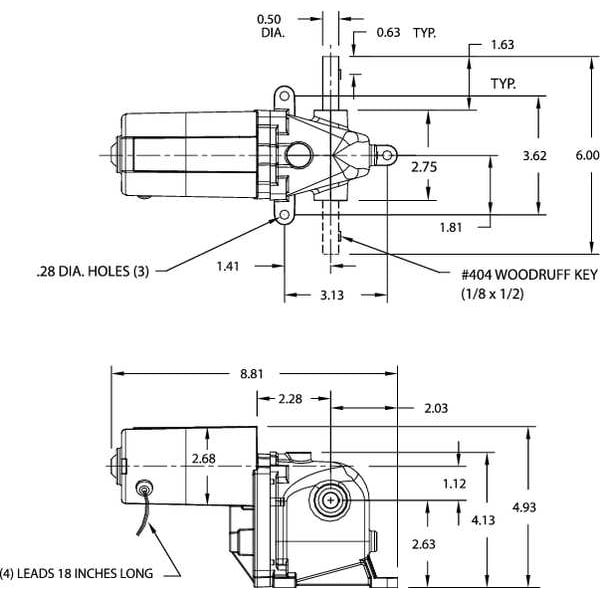
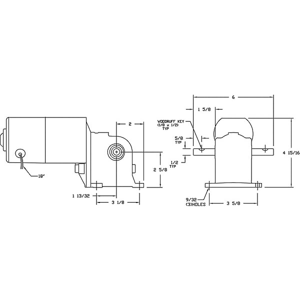
#404 Woodruff Key
#404 Woodruff Key
Woodruff #404
8.75 in
Grease Filled
40 Degrees C
40 Degrees C
39 in-lb
Open Air-Over
B
Universal AC/DC
All Position
Any Angle
55 RPM
55 RPM
115V AC
Right Hand
1/2 in
1 5/8 in
8.56 in
100 lb
100 ft-lb
1
1
Yes
1YNR3
No
CW/CCW
51 to 75
Lip Type on Output Shaft
Lip Type on Output Shaft
Right Hand Output
1/2
1-5/8
Right Angle
UL Recognized
None
115VAC/DC
Viewed together

$22.36 / each
Web price

$26.24 / each
Web price

$27.11 / each
Web price

$41.49 / each
Web price

$40.86 / each
Web price